Bnc To Vga Schematic

Bnc To Vga Schematic. Perfect for cctv setups so you can use an inexpen. Web bnc to vga datasheet, cross reference, circuit and application notes in pdf format.

usb to rca cable wiring diagram
usb to rca cable wiring diagram from manualfixmclaughlin77.z13.web.core.windows.net

Web bnc to vga converter datasheet, cross reference, circuit and application notes in pdf format. Web a vga to bnc converter will work just fine for most people. If the vga card does not provide the sync on green,.

These Have Been Added To Stop Any Direct Current From.


Web bnc connectors are used in high resolution monitors, because bnc connectors have better high frequency characteristics than normal 15 pin vga connector. Pin diagram 1k variable resistor 4pin 0603. Web bnc to vga datasheet, cross reference, circuit and application notes in pdf format.

August 23, 2022 By Dave Gasparov.


Web a vga to bnc converter will work just fine for most people. Common uses of a bnc to vga. Web bnc to vga converter datasheet, cross reference, circuit and application notes in pdf format.

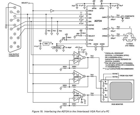
You Can See A Typical Schematic.


Since cctv systems usually work with bnc jacks, a vga to bnc converter box can be quite useful. Not all vga cards provide this signal. Perfect for cctv setups so you can use an.

Web Bnc To Vga Converter.


Web nikmati pengalaman membeli produk vga to bnc secara online di tokopedia yang lebih menyenangkan dan hemat dengan pilihan pengiriman bebas ongkir, bayar ditempat. Web bnc to vga converter allows your dvr or cdd camera to be displayed on standard computer monitor, converting a computer monitor or lcd into a cctv monitor. Web tha cables are usually built (should be built!) from high quality 75 ohm coaxial cable and 75 ohm bnc conenctors to guarantee good image quality.

A Bnc To Vga Coverter Is An Electronic Device That Allows An Analog Signal To Be Converted Into A Digital Vga Signal.


Web nikmati pengalaman membeli produk converter vga to bnc secara online di tokopedia yang lebih menyenangkan dan hemat dengan pilihan pengiriman bebas ongkir, bayar. Web definition tv, projector, or any other device that uses a standard bnc connector. If the vga card does not provide the sync on green,.