Bobcat Wiring Schematic

Bobcat Wiring Schematic. Web the wiring schematic of a bobcat s70 is a detailed diagram that explains the electrical system of the machine. Web july 21, 2022 by miss clara are you looking for an 873 bobcat wiring diagram?

Bobcat Kawasaki Fx651v Wiring Diagram
Bobcat Kawasaki Fx651v Wiring Diagram from diagramweb.net

This manual contains high quality images,. Web in this blog post, we’ll take a closer look at the 873 bobcat wiring diagram and explain how it can help keep your skid steer loader running smoothly and efficiently. Web the wiring schematic of a bobcat s70 is a detailed diagram that explains the electrical system of the machine.

Web Bobcat S175 Wiring Diagrambobcat S175 Wiring Harnessbobcat S175 Service Manualbobcat S175 User Manualbobcat S175 Manual Booksbobcat S175.


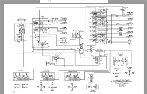
This article will provide you with. Web complete wiring/hydraulic/hydrostatic schematic for the bobcat t300 compact track loader. Web bobcat 743 wiring diagram.

This Makes It Much Easier To.


Web in this blog post, we’ll take a closer look at the 873 bobcat wiring diagram and explain how it can help keep your skid steer loader running smoothly and efficiently. It shows all the components in the system and how. If so, you've come to the right place!

Web Bobcatbobcat Wiring Schematicsread More:


The diagram consists of several. Web july 21, 2022 by miss clara are you looking for an 873 bobcat wiring diagram? Web uncategorized bobcat 753 wiring diagram free pdf bobcat 753 wiring diagram free pdf by wiring draw | february 9, 2023 0 comment bobcats, the world.

Web The Diagrams Provide Detailed Information About The Bobcat’s Wiring System, Including A List Of Each Wire’s Color Code And Its Purpose.


This manual contains high quality images,. Web the wiring schematic of a bobcat s70 is a detailed diagram that explains the electrical system of the machine.