Buick Headlight Wiring

Buick Headlight Wiring. Biggest problem is gm used a yellow wire for the. Headlight wiring connector was corr.

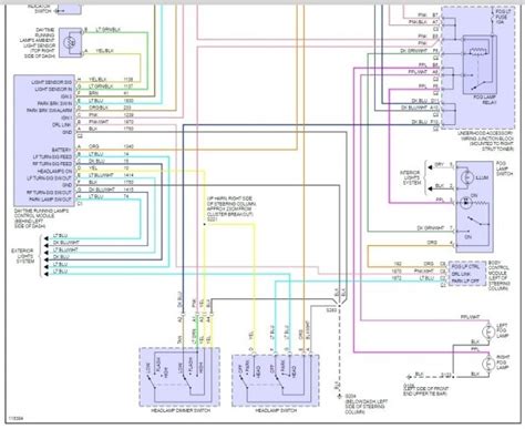
Buick Century 2002 Headlight Switch Wiring Images Wiring Diagram Sample
Buick Century 2002 Headlight Switch Wiring Images Wiring Diagram Sample from faceitsalon.com

Web when searching for replacement hid or led lighting for your buick, we offer direct fit plug and play oem style lights for your vehicle. Web looking for headlight wiring diagram for 2005 buick la crosse. Web headlight wiring pigtail i have a 2011 regal.

Web Headlight Wiring Pigtail I Have A 2011 Regal.


Get access all wiring diagrams car. Check the fuses for the headlights in the diagram with a test light. Web it sounds like the headlight switch is going out, but to be sure here is a guide to show you how to check for power coming out of the switch to confirm the failure:.

Web At The Headlamp Switch The Black/White Wire Should Have Ground At All Times And When Switch Is In The On Position The Yellow Wire Should Be Grounded.


Please select the year, make, and. Web brake wire white + brake switch. Been looking through many wiring diagrams and those colors do not match anything i see.

Web If It Doesn’t, Then There Is Either A Problem With The Headlight Switch Or The Wiring Between The Switch And The Relay.


Web one of the most complicated components of a 1950 buick is its headlight wiring system — and unfortunately, it’s not always easy to understand. Web buick lucerne headlight wire harness buy online. Web 2011 buick lucerne easy headlight bulb replacement.low beam not working even after changing the bulb and checking fuses.

View Online Or, If Available, Order Printed Copies For An Additional Fee.


Web save more on an aftermarket buick headlight wiring harness with carparts.com's lifetime replacement guarantee. Headlight wiring connector was corr. They should have power with the key on to each bulb on both.

Web 133 Views 8 Months Ago.


Headlights wiring diagram, with manual a/c. Low beams come on and go off when nobody is near vehicle. Web i attached the wiring diagram for you to view.